合金钢材料,镀镍,轮辐式结构,胶封,拉向或压向承载。
防护等级IP67
适用于料斗秤等各类电子称重设备。
推荐选择型号:
| 5.0t-20t | C2 | H2D-C2-xxt-xxJ |
技术指标
| 额定载荷 | t | 5/10/15/20 |
| 精度 | C2 | |
| 最大检定分度数 | n max | 2000 |
| 最小检定分度值 | v min | Emax/5000 |
| 综合误差 | (%FS) | ≤±0.030 |
| 蠕变 | (%FS/30min) | ≤±0.023 |
| 温度对输出灵敏度的影响 | (%FS/10℃) | ≤±0.017 |
| 温度对零点输出的影响 | (%FS/10℃) | ≤±0.029 |
| 输出灵敏度 | (mv/v) | 2.0±0.008 |
| 输入阻抗 | (Ω) | 750±10 |
| 输出阻抗 | (Ω) | 700±7 |
| 绝缘阻抗 | (MΩ) | ≥5000(50VDC) |
| 零点输出 | (%FS) | ≤±1.0 |
| 温度补偿范围 | (℃) | -10~+40 |
| 允许使用温度范围 | (℃) | -35~+70 |
| 推荐激励电压 | (V) | 5~12(DC) |
| 最大激励电压 | (V) | 18(DC) |
| 安全过载范围 | (%FS) | 150 |
| 极限过载范围 | (%FS) | 300 |
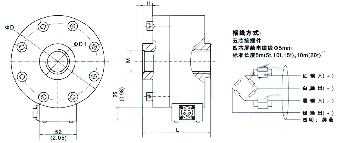
外形尺寸mm(inch)

| 量程(t) | L | D | D1 | M | H |
| 5 | 83(3.27) | 128(5.04) | 45(1.77) | M24x2 | 8(0.31) |
| 10 | 150(5.91) | 160(6.03) | 60(2.36) | M39x2 | 30(1.18) |
| 20 | 220(8.66) | 200(7.78) | 80(2.99) | M60x2 | 60(2.36) |
服务热线:400-1010-998
您现在的位置:
