Name:SZ-KP
Model:SZ-KP
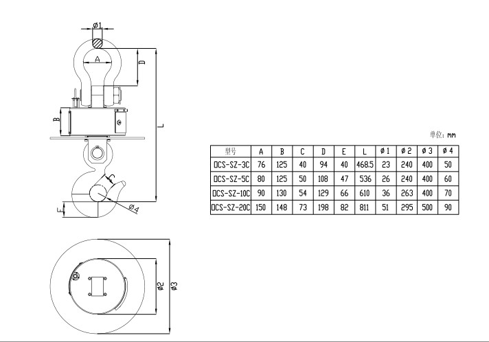
Capacity:1t,2t,3t,5t,10t,15t,20t
Blueprint: Look over>>
Detail:
Simple structure &low cost
High-precision A/D converter with ∑-△ analog-to-digital conversion
Hand hold design for smart and convenient using
ABS engineering plastic housing for durable using
LED display with EL backlighting
Total &Inquire functions


Hotline:08620-36453501
Your location:
